مکالمه را شروع کنید
سلام! برای چت در WhatsApp کارشناس فروشی که میخواهید با او صحبت کنید را انتخاب کنید.
اینورتر GD200 برند INVT بهعنوان نسل جدیدی از اینورترهای عمومی (VFD) معرفی می گردد همچنین این اینورتر با بهرهگیری از سیستم کنترل DSP و فناوری کنترل برداری و V/F، از عملکرد عالی در راهاندازی موتور و قابلیتهای حفاظتی متنوع برخوردار است و با توجه به رنج توانی وسیع در کنار مشخصه دو رنج بودن (Dual-Rating)در صنایع کمپرسور سازی ، ماشین آلات پلاستیک ، صنایع نفت و گاز ، صنایع معدنی ، سیستم های تهویه مطبوع ، فن و پمپ کارایی بسیاری دارد.
شرکت ایمن سان به عنوان تامین کننده اصلی درایو های اینوت در استان تهران آمادگی همکاران با مشتریان ارجمند را دارد.
| مدل | نام درایو | کاربری سنگین | کاربری نرمال | عمق*ارتفاع*عرض (mm) | ||
| توان | جریان | توان | جریان | |||
| GD200A-5R5G-S24 | اینورتر GD200A 5.5کیلو وات ورودی تکفاز 220 به خروجی سه فاز 380 | 5.5 | 14 | 200*320*170 | ||
| GD200A-7R5G-S24 | درایو GD200A 7.5 کیلو وات ورودی تکفاز 220 به خروجی سه فاز 380 | 7.5 | 18.5 | |||
| GD200A-0R7G-4 | GD200 0.75KW INVT | 0.75 | 2.5 | 155*186*126 | ||
| GD200A-1R5G-4 | درایو 1.5 کیلو وات GD200 و برند INVT | 1.5 | 3.7 | |||
| GD200A-2R2G-4 | اینورتر 2.2کیلو وات GD200 اینوت | 2.2 | 5 | |||
| GD200A-004G/5R5P-4 | اینور تر 4 KW GD200 اینوت | 4 | 9.5 | 5.5 | 14 | 171*256*146 |
| GD200A-5R5G/7R5P-4 | درایو GD200 5.5 KW و برند INVT | 5.5 | 14 | 7.5 | 18.5 | |
| GD200A-7R5G/011P-4 | VVVF 7.5KW GD200 و برند اینوت | 7.5 | 18.5 | 11 | 25 | 200*320*170 |
| GD200A-011G/015P-4 | VFD 11 کیلو وات GD200 و شرکت INVT | 11 | 25 | 15 | 32 | |
| GD200A-015G/018P-4 | اینورتر اینوت 15 کیلو وات GD200 | 15 | 32 | 18.5 | 38 | |
| GD200A-018G/022P-4 | اینور تر INVT 18.5 کیلو وات سری GD200 | 18.5 | 38 | 22 | 45 | 219*342*230 |
| GD200A-022G/030P-4 | درایو 22 کیلو وات GD200 برند INVT | 22 | 45 | 30 | 60 | 246*407*255 |
| GD200A-030G/037P-4 | اینورتر30 کیلو وات GD200 اینوت | 30 | 60 | 37 | 75 | |
| GD200A-037G/045P-4 | اینور تر 37 KW GD200 اینوت | 37 | 75 | 45 | 92 | 333*555*270 |
| GD200A-045G/055P-4 | درایو GD200 45 KW و برند INVT | 45 | 92 | 55 |
115
|
|
| GD200A-055G/075P-4 | VFD 55 کیلو وات GD200 و شرکت INVT | 55 |
115 |
75 | 150 | |
| GD200A-075G/090P-4 | اینور تر INVT 75 کیلو وات و سری GD200 | 75 | 150 | 90 | 180 | 374*680*325 |
| GD200A-090G/110P-4 | VFD 90KW GD200 INVT | 90 | 180 | 110 | 215 | |
| GD200A-110G/132P-4 | درایو 110 کیلو وات GD200 و برند INVT | 110 | 215 | 132 | 260 | |
| GD200A-132G/160P-4 | VFD 132 کیلو وات GD200 و شرکت INVT | 132 | 260 | 160 | 305 | 368*870*500 |
| GD200A-160G/185P-4 | اینورتر اینوت 160 کیلو وات GD200 | 160 | 305 | 185 | 340 | |
| GD200A-185G/200P-4 | اینور تر INVT 185 کیلو وات سری GD200 | 185 | 340 | 200 | 380 | |
| GD200A-200G/220P-4 | درایو 200 کیلو وات GD200 و برند INVT | 200 | 380 | 220 | 425 | |
| GD200A-220G/250P-4 | اینورتر اینوت 220 کیلووات GD200 | 220 | 425 | 250 | 480 | 388*960*680 |
| GD200A-250G/280P-4 | اینورتر 250 کیلو وات GD200 و برند اینوت | 250 | 480 | 280 | 530 | |
| GD200A-280G/315P-4 | اینورتر 280KW و مدل GD200 | 280 | 530 | 315 | 600 | |
| GD200A-315G/355P-4 | اینور تر 315KW GD200 | 315 | 600 | 355 | 650 | |
| GD200A-355G/400P-4 | اینورتر 355 KW اینوت و سری GD200 | 355 | 650 | 400 | 720 | 560*1700*620 |
| GD200A-400G-4 | درایو 400 کیلووات GD200 اینوت | 400 | 720 | |||
| GD200A-450G-4 | درایو 450 کیلو وات GD200 و برندINVT | 450 | 820 | |||
| GD200A-500G-4 | درایو 500KW اینوت و مدل GD200 | 500 | 860 | |||
| GD200A-560G-4 | GD200 560KW INVT | 560 | 1060 | 442*1420*1447 | ||
| GD200A-630G-4 | اینورتر 630کیلووات اینوت | 630 | 1200 | |||
| GD200A-710G-4 | اینور تر 710کیلو وات GD200 و شرکت INVT | 710 | 1300 | 636*1900*1323 | ||
| GD200A-800G-4 | درایو 800 کیلووات GD200A و شرکت اینوت | 800 | 1440 | |||
| GD200A-1000G-4 | اینورتر 1000KW GD200 و شرکت INVT | 1000 | 1720 | |||
| GD200A-1200G-4 | VFD 1200KW GD200 INVT | 1200 | 2160 | 636*1900*1956 | ||

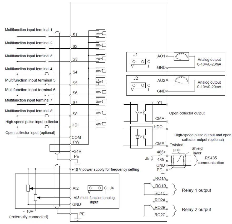
پایه های فرمان اینورتر GD200 برند INVT ، مشابه اینورتر GD350 می باشد که برای کسب اطلاعات بیشتر به منوال یا محصول GD350 مراجعه فرمایید.

شماتیک A کیپد درایو های رنج پایین تا اینورتر 015G/018P را نشان می دهد و در شماتیک B کیپد درایو های رنج بالاتر را مشاهده می کنید
| آیتم | تشریح | |||
| نمایشگر وضعیت | 1
|
RUN/TUNE | LED خاموش : درایو خاموش است
LED چشمک زن: اینورتر در حال اتوتیونینگ می باشد LED روشن: اینور تر روشن می باشد |
|
| FWD/REV | LED خاموش : درایو درجهت FWD می چرخد
LED روشن: اینور تر در جهت معکوس می چرخد |
|||
| TRIP | LED خاموش : شرایط نرمال است.
LED چشمک زن: در شرایط قبل از خطا به سر می بریم. LED روشن: وضعیت خطا می باشد. |
|||
| LOCAL/REMOTE | LED خاموش : فرمان درایو بر روی کیپد فعال می باشد
LED چشمک زن: درایو از طریق ترمینال فعال است LED روشن: درایو به صورت ریموت فعلا می باشد. |
|||
| LED | 2 | ![]() |
HZ | اگر LED بالا فعال باشد |
| RPM | اگر دو LED وسط و بالا فعال باشند | |||
| A | چنانچه فقط LED وسط روشن باشد | |||
| % | اگر دو LED وسط و پایین فعال باشند | |||
| V | اگر LED پایین فعال باشند | |||
| صفحه نمایش | 3 | صفحه نمایش کیپد را نشان می دهد | ||
| ولوم آنالوگ | 4 | عملکرد AI1 را دارد و در توان های 015G و پایین تر فعال می باشد | ||
| ولوم دیجیتال | با توجه به پارامتر P08.42 و در توان های بالاتر فعال می شود | |||
| کلید | ![]() |
از منوی سطح اول پارامتری خارج یا به آن وارد می شود و پارامتر میانبر را حذف می کند. | ||
![]() |
پله پله وارد منو ها می شود و یا پارامتر ها را تایید می کند | |||
|
توسط این دو کلید تغییرات در پارامترها رخ می دهد | |||
![]() |
در حالت توقف و استارت پارامتر های خواندنی توسط این دگمه به صورت دایره وار نشان داده می شوند
همچنین هنگام تغیر پارامترها سگمنت مورد تغییر به سمت راست تغییر می کند. |
|||
![]() |
هنگامی فرمان ران توسط کیپد صادر می شود این کلید سبب استارت درایو می شود یا پروسه اتوتیونینگ را شروع می کند | |||
![]() |
هنگامی که درایو استارت می باشد ؛ فشار این دگمه سبب توقف اینورتر می شود یا پروسه اتوتیونینگ را متوقف می کند. (در پارامتر P07.04 محدودیت هایی برای این کلید در نظر میگیریم) همچنین برای ریست کلیه خطاها استفاده می گردد. | |||
![]() |
کلید میانبر که به صورت دیفالت روی جاگ تعریف می گردد ولی می توان عملکرد های مختلفی برای این کلید در پارامتر P07.02 در نظر گرفت | |||
| واسط کیپد | 6 | صفحه نمایشگر | ||
درایو دارای سه سطح منو می باشد:
توجه : فشار دادن PRG/ESC و DATA/ENT از منو سطح سوم به منو سطح دوم برگردد با این تفاوت که با زدن کلید DATA/ENT مقادیر پارامتر در کنترل پنل ذخیره میگردد و سپس به منو سطح دوم بازگشته و به کد بعدی منو سطح دوم می رود، در حالی که PRG/ESC بدون ذخیره مقدار تغییر یافته به منو سطح دوم بازگشته و در همان کد قرار می گیرد.
در زیر منوی سطح سوم، اگر پارامتر هیچ بیت چشمکزنی نداشته باشد، به این معنی است که کد عملکرد قابل تغییر نیست که دو دلیل عمده دارد:
مثال : تغییر پارامتر P00.01 از عدد 0 به عدد 1

درایو GD200A از بابت پارامتر و کارایی مشابه درایو SG200 می باشد و برای کاربری های متنوعی مورد استفاده قرار می گیرد.