مکالمه را شروع کنید
سلام! برای چت در WhatsApp کارشناس فروشی که میخواهید با او صحبت کنید را انتخاب کنید.
اینورتر GD27 برند INVT یک درایو فرکانس متغیر (VFD) هوشمند جدید است که با ساختاری فشرده طراحی و عملکردی عالی و امکاناتی غنی دارد و استفاده از آن ساده و آسان می باشد. این محصول میتواند بهطور گسترده در صنایعی مانند نجاری، نساجی، غذا، چاپ و بستهبندی، پلاستیک، تهویه مطبوع (HVAC) و تجهیزات لجستیک و حملونقل مورد استفاده قرار گیرد.
شرکت ایمن سان به عنوان تامین کننده درایو های اینوت در استان تهران آمادگی همکاران با مشتریان ارجمند در سراسر کشور را دارد.
| مدل | نام درایو | ولتاژ | توان | جریان | عمق*ارتفاع*عرض (mm) |
| GD27-0R4G-S2-B | درایو 1.5 کیلو وات GD27 برند INVT | 220 | 0.4 | 2.5 | 155*190*60 |
| GD27-0R7G-S2-B | اینورتر 2.2کیلو وات GD27 اینوت | 0.75 | 4.2 | ||
| GD27-1R5G-S2-B | اینور تر 1.5 KW GD27 اینوت | 1.5 | 7.5 | 155*190*70 | |
| GD27-2R2G-S2-B | درایو GD27 2.2 KW برند INVT | 2.2 | 10 | ||
| GD27-0R7G-4-B | VVVF 0.75KW GD27 برند اینوت | 380 | 0.75 | 2.5 | 155*190*60 |
| GD27-1R5G-4-B | VFD 1.5 کیلو وات GD27 شرکت INVT | 1.5 | 3.7 | ||
| GD27-2R2G-4-B | اینورتر اینوت 2.2 کیلو وات GD27 | 2.2 | 5.5 | 155*190*70 | |
| GD27-003G-4-B | اینور تر INVT 3 کیلو وات سری GD27 | 3 | 7.5 | ||
| GD27-004G-4-B | درایو 4 کیلو وات GD27 برند INVT | 4 | 9.5 | ||
| GD27-5R5G-4-B | اینورتر5.5 کیلو وات GD27 اینوت | 5.5 | 14 | 155*235*90 | |
| GD27-7R5G-4-B | اینور تر 7.5 KW GD27 اینوت | 7.5 | 18.5 |

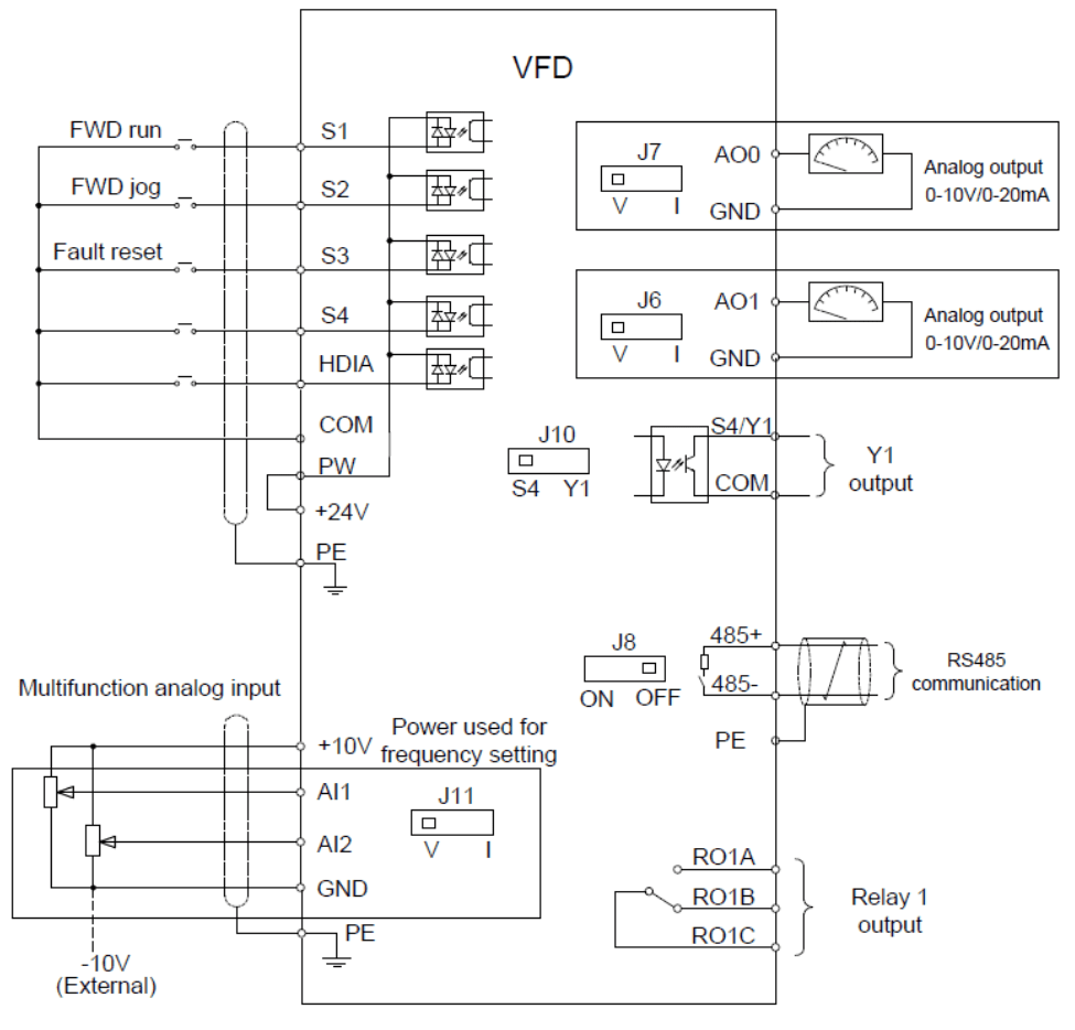
| نام پایه | شرح |
| RO1A & RO2A | ظرفیت کنتاکت RO: (3A/AC250V,1A/DC30V)
رله خروجی RO: ROA نرمالی اپن ، ROB نرمالی کلوز و ROCپایه مشترک |
| RO1B & RO2B | |
| RO1C & RO2C | |
| +10V | ولتاژ تغذیه 10 ولت داخلی |
| AI1 | 1- رنج ورودی : ولتاژ و جریان AI1 : 0–10V/0–20Ma ؛ AI2 : -10 الی 10V
2- به وسیله جامپر j11 ورودی ولتاژ یا جریان انتخاب می شود. 3- امپدانس ورودی : ولتاژ ورودی :20کیلو اهم ، جریان ورودی:250 اهم 4- دقت : در فرکانس 50 هرتز و ولتاژ 10 ولت برابر 5mv |
| AI2 | |
| 24V | تغذیه داخلی درایو و دارای ماکزیمم جریان خروجی 200ma می باشد |
| COM | رفرنس زمین 24 ولت |
| GND | رفرنس زمین +10.5 ولت |
| AO1 | 1- رنج ولتاژ 0 الی 10 ولت یا 0 الی 20 میلی آمپر
2- جامپر j7 و j6 نوع خروجی ولتاژ و جریانی را مشخص می کند. |
| AO0 | |
| CME | پایه مشترک خروجی اپن کلکتور ؛ به صورت دیفالت به کام وصل شده |
| Y1 | 1- رنج فرکانس خروجی 0 الی 1 کیلو هرتز
2- ظرفیت سوییچ : 50میلی آمپر/30 ولت |
| PE | ترمینال زمین |
| PW | ترمینال تغذیه اکسترنال برای پایه دیجیتال چند منظوره (رنج ولتاژ 12 الی 30 ولت) |
| S1-S4 | 1- امپدانس ورودی 3.3 کیلو اهم
2- ولتاژ قابل قبول 12 الی 30 ولت می باشد 3- ماکزیمم فرکانس ورودی برابر یک کیلو هرتز می باشد. 4- تمام ورودی های قابل تعریف توسط کاربر هستند 5- دارای دو مود NPN/PNP هستند 6- انتخاب بین s4 و y1 از طریق جامپر j10 می باشد. |
| HDIA | ورودی چند منظوره فرکانس بالا با ماکزیمم فرکانس ورودی 50 کیلو هرتز می باشد |
| 485+ | این دو پایه برای ارتباط سریال RS485 استفاده می شوند. |
| 485- |

| کلید | عملکرد |
![]() |
برای ورود یا خروج از منوهای سطح ۱ یا حذف یک پارامتر، آن را فشار دهید. برای اجرای عملکرد تعیینشده توسط رقم یکان در P07.02 که به صورت پیشفرض حالت حرکت آرام است، آن را نگه دارید (حداقل ۱ ثانیه). |
![]() |
آن را فشار دهید تا وارد منوهای متوالی شوید یا تنظیمات یک پارامتر را تأیید کنید. برای انتخاب پارامترهای نمایش در رابط کاربری VFD در حالت توقف یا کار، آن را فشار دهید و برای جابجایی چرخهای در حین تنظیم پارامتر، آن را نگه دارید (حداقل 1 ثانیه). |
![]() |
برای افزایش داده یا حرکت به سمت بالا، آن را فشار دهید. |
![]() |
برای کاهش داده یا حرکت به سمت پایین، آن را فشار دهید. |
![]() |
این دگمه برای حرکت یا انجام عملکرد اتوتیونینگ در حالت کنترل دستی استفاده می شود. |
![]() |
P07.04 عملکرد کلید را مشخص میکند. برای توقف عملکرد یا تنظیم خودکار در حالت اجرا، آن را فشار دهید.برای ریست کردن در حالت هشدار خطا، آن را فشار دهید. |
جمع بندی
اینورتر GD27 برند INVT برند اینوت با رابط کاربری آسان و قیمت مقرون به صرفه برای کاربری های سبک انتخابی معقول به نظر می رسد.